• Nuevo
  • BNC90
  • BNC90
  • BNC90
  • BNC90
BNC90
search
BNC90
search
BNC90
search
BNC90
search

CONECTOR BNC HEMBRA 90 GRADOS 50 OHM REMANUFACTURADO

Conector BNC hembra angular 90 grados 50 Ohm para panel y PCB THT. Producto remanufacturado, puede presentar leves signos de uso o desoldado previo.

dashboard_customize Packs descuento

5 unidades 2% descuento
10 unidades 5% descuento
25 unidades 12% descuento
$23.990 
Disponible para entrega inmediata Próximas 24horas hábiles
3 Artículos

Te quedan 450.000$ para el envío gratis

Descripción

CONECTOR BNC HEMBRA 90 GRADOS 50 OHM REMANUFACTURADO

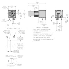
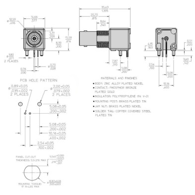
El conector BNC hembra angular de 90 grados es una solucion confiable para conexiones de señal de radiofrecuencia y video en equipos electronicos. Su diseño permite un montaje practico en panel con fijacion por tuerca frontal, facilitando instalaciones firmes y ordenadas.

Este producto es remanufacturado, por lo que ha sido recuperado y verificado para correcto funcionamiento. Puede presentar leves signos esteticos de uso o haber sido desoldado previamente de una PCB, sin afectar su desempeño electrico ni mecanico.

Gracias a su impedancia controlada de 50 Ohm y contactos dorados, garantiza una transmision de señal estable y con baja perdida. Su estructura robusta, fabricada en aleacion de zinc con recubrimiento de niquel, ofrece buena durabilidad y resistencia.

Es ideal para aplicaciones de CCTV, equipos de medicion, radiofrecuencia, telecomunicaciones y proyectos electronicos donde se requieran conexiones seguras a menor costo.

CARACTERISTICAS:

Conector BNC tipo tomacorriente

Hembra con orientacion angular 90 grados

Producto remanufacturado y probado

Puede presentar signos leves de uso o desoldado

Impedancia controlada de 50 Ohm

Contactos dorados para mejor conductividad

Montaje electrico THT

Montaje mecanico en panel con tuerca frontal

ESPECIFICACIONES TECNICAS:

Tipo de conector: BNC

Conector: Tomacorriente

Clase: Hembra

Orientacion: Angular 90 grados

Impedancia: 50 Ohm

Frecuencia maxima: 1 GHz

Montaje electrico: THT

Montaje mecanico: Para panel, tuerca frontal

Material de aislamiento: Polipropileno

Material de carcasa: Aleacion de zinc

Material de contactor: Bronce fosforico

Cobertura de contactor: Dorado

Material de recubrimiento: Niquel

Durabilidad mecanica: 500 ciclos

Temperatura de trabajo: -40 a 85 C

Referencia de producto: BNC90

ENLACES DE INTERES

Puede descargar la hoja de datos o datasheet AQUI.

Detalles del producto
BNC90
Nuevo